Bahung - linear actuator
BH-03-Mini Linear Actuator 150mm-350mm 12V 24vDC ,linear motor for fire-fighting window-Stroke6-8-10-12-14inch Max Load 1500N 330LBS , Silver
BH-03-Mini Linear Actuator 150mm-350mm 12V 24vDC ,linear motor for fire-fighting window-Stroke6-8-10-12-14inch Max Load 1500N 330LBS , Silver
Couldn't load pickup availability
Mechanical characteristics :
Input voltage: 12V/24 VDC
Max.Load: 1500N
Standard Stroke: 30/50/100/150/200/250/300mm,can produce as your request.
Speed: 4-40mm/s
Duty Cycle: 10%, work 2 minutes need to rest 18 minutes
Ambient Temperature: 一25℃ to 65℃
IP Grade: IP54
Built-in integral limit switch, not adjustable after leaving factory
Low noise design, dB≤50
Package Included:
1×Linear Actuator Motor

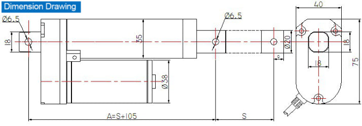
1. Retracted length=Lmin=105+Stroke=105+S
Lmin means the length when linear actuator 100% fully retracts, meanwhile,it will touch the tail limited switch and stop automatically.
2. Stroke means the movement length of linear actuator.
3. Lmax=Lmin+Stroke=105+S+S
Lmax means the length when linear actuator 100% fully extends, meanwhile,it will touch the head limited switch and stop automatically.










Share






